1
/
von
1
warhogtruck
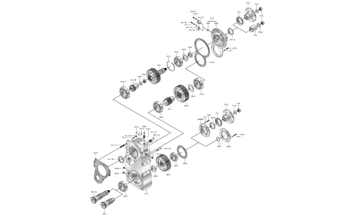
Dana/Spicer Model 738 Direct Mount Case & Gears
Dana/Spicer Model 738 Direct Mount Case & Gears
Normaler Preis
$1,000.00 USD
Normaler Preis
Verkaufspreis
$1,000.00 USD
Versand wird beim Checkout berechnet
Anzahl
Verfügbarkeit für Abholungen konnte nicht geladen werden
Share
